随城市发展,新建建筑供热缺口日益扩大,冬季因供热带来的碳排放和环境污染急需缓解,政府引导和鼓励以电和天然气替代煤供热。数据中心排热量大,排热量稳定。利用数据中心的废热给建筑物供热,可有效降低供热系统的碳排放,起到能源梯级利用和节能环保目的。利用数据中心废热供热的同时能实现数据中心的免费供冷,极大降低数据中心的供冷耗电量。本文提出基于数据中心废热利用,以电能为主要能源,空气能、天然气为补充的综合能源供冷、供热系统。解决数据中心配套办公楼和周边民用、商业建筑供冷、供热问题。数据中心基础设施运营管理
1基于废热利用的冷热源方案
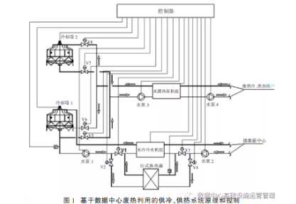
1.1供冷/供热方案
本文设计一种冬季数据中心废热供热和数据中心免费制冷的冷热源系统。图1为基于数据中心废热利用的供冷、供热系统原理图和控制图。本套供冷、供热系统由水冷冷水机组、水源热泵机组、冷却塔1、冷却塔2、板式换热器、水泵1、水泵2、水泵3、水泵4、电动调节阀V1、电动二通阀V2-V8和相应的管道系统构成。夏季,水源热泵机组与冷却塔2、水泵3、水泵4配套使用,为办公、商业等用户空调供冷。夏季制冷,V7、V8开启,V5、V6关闭,水源热泵机组制冷工况运行。夏季和过渡季节,水冷冷水机组与冷却塔1、水泵1、水泵2配套使用,为数据中心供冷,阀V2、V4关闭,V1、V3开启。冬季水源热泵机组制热工况运行,为数据中心配套的办公楼和周边建筑供热。水源热泵系统制热工作原理:阀V8、V7关闭,V6、V5开启,水泵3循环冷却塔1集水盘中的水进水源热泵机组,设计进出水温度10.5℃/5.5℃,水源热泵机组消耗少量电能,提取低温水(10.5℃)中的热量,以中温热水的形式,通过水泵4的输送供用热用户,采用高温水源热泵机组制热,供热水温度范围45~70℃,可根据用户侧的供热温度要求调节热水温度,供回水温差5~10℃。冬季,数据中心免费供冷,阀V3关闭,阀V2、V4开启,冷却塔1集水盘的低温水(10.5℃)经水泵1输送,进板式换热器换热,设计进出口温度10.5/16.5℃,水泵2循环数据中心冷冻水经板式换热器冷却,设计进出水温度18/12℃,即数据中心供水温度12℃,回水温度18℃。水泵1的循环水经板式换热器后进入水冷冷水机组,在水冷冷水机组中循环后流回冷却塔1顶部布水盘。冷却塔1的风机根据冷却塔1的供水温度调节频率和启停。水源热泵系统供热的同时为数据中心制冷,再配以冷却塔1的散热,实现冬季数据中心100%的免费制冷,理论上冬季水冷冷水机组不开机,完成数据中心供冷,水冷冷水机组备用。

1.2冷热源控制
利用自动控制可实现建筑供冷供热冷热源设备的节能运行,图1为数据中心废热供热和免费制冷控制系统原理图,控制器通过控制线连接所有的设备、电动阀门、温度传感器T1和T2,控制水源热泵机组、水冷冷水机组、冷却塔和水泵的启停和运行频率,控制电动阀门的开启和关断,监测和控制冷却塔1冷却水和数据中心冷冻水的供水温度。此处主要针对数据中心废热利用供热和免费供冷的控制进行分析说明,常规冷热源系统的控制要求不做叙述。冬季利用数据中心废热供热,阀V7、V8关闭,阀V6、V5开启,水泵3、水泵4运行,水源热泵机组运行。冬季数据中心免费供冷,阀V2、V4开启,阀V3关闭,水泵1、水泵2运行,根据温度传感器T1的温度设定值(10.5℃)控制冷却塔1的风机频率和启停,调节阀V1的开度控制板式换热器的出水温度,即根据温度传感器T2的数值调节阀V1开度,保障数据中心冷冻水的供水温度。
2热源增容
2.1热源增容形式
供热站建好后,后期在供热站周边可能出现新增供热面积的情况,如何利用现有的供热主管路,不改变原有供热站的情况下,为后期新建面积供暖,本文提出了对应的解决方案。根据实际的能源结构,可选择以电为驱动能源的方式,也可以选择以天然气为能源的解决方式。此处以水源热泵系统需要新增供热面积为例,进行方案说明。数据中心基础设施运营管理
数据中心的废热利用供热的水源热泵系统装机容量受废热总量限制,如果前期已按最大废热量配置水源热泵机组,后期出现新增供热面积,可考虑在供热管道主干管回水管上接入空气源热泵热源,图2为空气源热泵补充供热系统原理图。或者考虑在供热管道主干管供水管上接入燃气热水锅炉热源,图3为燃气热水锅炉补充供热系统原理图。空气源热泵机组出水温度相对较低,所以图2中,空气源热泵机组串联在水源热泵机组的上游,供热回水先经空气源热泵加热后,在进水源热泵机组二次加热。燃气热水锅炉出水温度相对较高,所以图3中,燃气热水锅炉串联在水源热泵机组的下游,供热回水先经水源热泵机组热后,再进入燃气热水锅炉二次加热。两种方案都不改变供热主管路和主循环水泵,通过提高供水温度,提高供回水温差的方式,增大供热输送能力。新增加的空气源热泵系统或者燃气锅炉热水系统与原有的供热系统相对独立,新增系统的启停或故障对原有系统正常运行不产生影响。采用空气源热泵机组上游串联补充供热或者燃气热水锅炉下游串联补充供热,对原有供热系统无任何改动,系统简单,新增系统建设成本低。热源增容利用的能源形式可根据就近能源结构考虑。

2.2增容量分析
供热系统75%以下的时间供热负荷在最大热负荷65%以下,可考虑以高效的水源热泵机组系统为基础热源,热负荷供热量占比65%;新增系统为补充热源,占比35%;按这样的经济方式配置热源,可新增供热面积0.35/0.65×100%=54%,系统的总运行能效变化不大,增加了54%的供热面积,解决了新增供热问题,初投资较低,为投资者带来较好的经济效益。
3结论
利用数据中心废热供热,初投资只有常规地源热泵系统的40%,初投资低;系统能效高,基于废热利用的水源热泵供热COP在4.0左右,供热运行费用低。
从数据中心供冷系统的冷却塔取冷却水做水源热泵机组的热源,高效供热的同时免费制冷,配以冷却塔散热,冬季实现数据中心100%的免费供冷,相对于传统的只有板式换热器+冷却塔的免费供冷系统,节能60%以上。
废热利用系统与数据中心制冷系统管路独立,互不干扰,废热得到利用的同时保证了数据中心的安全供冷。数据中心基础设施运营管理
采用空气源热泵机组上游串联补充供热与燃气热水锅炉系统下游串联补充供热,解决了新增供热的问题,且初投资低,整体运行费用较低。
