本文来自数据中心基础设施运营管理。
关键词:数据中心;低压电力系统;接地故障;跳闸
接地系统对设备的可靠运行及运维人员的安全性至关重要,设计及施工时应重点关注。为保障数据机房的可靠供电,配电系统调试过程中发现的问题要引起高度重视。
本文以某数据中心调试过程中跳闸现象为例,分析了引起接地故障的多种因素。建设施工过程中多种因素都将导致低压断路器跳闸,断路器跳闸是供电可靠性的重要影响因素,不应局限在排查断路器故障,应从多方面排查事故隐患。
一、接地系统概述
低压交流供配电系统按接地方式的不同分为三类,即TT、TN和IT系统,其中TN系统应用最为广泛。TN系统根据其保护零线是否与工作零线分开而划分为TN-C,TN-S,TN-C-S系统。在国内的机房中一般采用TN-S的接地方式,见图1。TN-S供电系统有五根线,即三根相线U、V、W,一根中性线N和一根保护接地线PE,电力系统仅一点接地,用电设备的外露可导电部分(如外壳、机架等)接PE线。TN-S系统对接地故障灵敏度高,线路经济简单。TN-S系统可以作为数据中心的优选供电及接地系统。配电线路在正常运行时,三相负荷电流与中性线电流的矢量和无论三相负荷平衡与否他们的电流均为零,即丨IA丨+丨IB丨+丨IC丨+|IN丨=0,当某一相发生单相接地故障时,故障电流通过保护线PE与大地构成通路,所以此时丨IA丨+丨IB丨+丨IC丨+|IN丨≠0,此时接地故障引起的电流对配电线路和电器设备造成损伤,故配置接地故障保护势在必行。

图1 TN-S接地系统
二、事故概况
某在建大型数据中心项目,某配电室低压系统为4000A系统,配备2组UPS出线,在进行低压配电系统满载试验过程中,UPS由正常运行切换至旁路运行,当切换动作时,低压进线柜发生故障跳闸,低压系统停电。经查看,发现进线柜断路器报故障跳闸,跳闸原因为接地故障。初步查勘现场后,未发现明显故障,重复上述试验后,依然存在以上问题。检测机构立即停止该项目试验,联系相关设备厂家及施工单位,排查事故原因。
三、设计概述
断路器接地故障保护分为两种:
1.剩余电流型
检测零序电流,即相电流和中性线电流的矢量和,检测的是断路器的下级故障。如图2。

图2剩余电流型
2.接地电流返回型
通过专门的外部电流互感器,直接测量通过接地电缆反馈至变压器的接地电流,同时检测上级和下级断路器的故障,如图3。

图3接地电流返回型
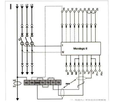
此项目采用剩余电流型接地故障检测方式。剩余电流型接地故障保护配外部互感器,安装于进线零线母排上。该方式只适用于TN-S系统,TN-C系统不能进行接地故障保护。
低压断路器保护单元:三段为长延时+短延时+瞬时保护;四段为长延时+短延时+瞬时保护+接地保护。
数据中心低压馈出回路一般都是电缆上出线,出线柜至UPS、下级负荷都采用的电缆连接。低压进线框架断路器采用四段保护,检测断路器下级故障,以更好的保护设备。设计图纸及设备选型满足规范要求。
四、产品工艺
1.接地互感器至断路器二次控制接线,需要采用断路器配套的带屏蔽层的线缆。防止外部干扰,造成断路器误动作。
2.外置电流互感器的连接需要注意电流的流向,既安装时要严格按照说明书要求,按照H1为电源侧,H2为负载侧安装接线,互感器极性安装错误会导致断路器控制单元计算出2In的接地故障电流,断路器误动作。
3.查看断路器样本及接地互感器说明书,互感器的安装与断路器间的最大距离为10米,电缆截面积大于0.4平方毫米。距离超过十米或者线径过小,将导致断路器灵敏性降低
4.低压电缆的铺设应符合工艺规范,电缆表面无损伤,中间无接头。
5.配电室要保证接地电阻小于4Ω。接地网与设备基础连接可靠,接地体无虚接、虚焊现象。
五、故障排查
经过设备厂家及检测机构讨论分析故障产生的可能原因及排查过程如下:
1.检查现场实际接地是否合要求。经核查,低压配电室经接地电阻测试仪检测,接地系统接地良好,施工材料满足规范要求,施工工艺合格。
2.低压进线柜接地采样互感器是否安装正确。经查看断路器及互感器说明书,现场设备安装正确,互感器H1为电源侧,H2为负载侧,且互感器安装在进线柜内,满足设计要求。
3.检查进线断路器保护定值是否符合设计要求,查看断路器的接地保护定值与图纸要求一致。但经设计院重新测算,结台设备特性,认定接地保护定值设置偏小,灵敏度过高,需调整定值。
4.经检查断路器接线正确,接地采样互感器接线及安装正确。电气合闸及手动合闸各操作5次,合分闸动作可靠。联系第三方检测机构对断路器脱扣跳闸进行重新实验,在施加模拟故障电流的情况下,断路器可靠跳闸,动作可靠。通过以上实验,排除断路器误动作可能性。
5.检查负载设备,后端设备为UPS经检查设备资料及试验,设备满足设计要求。
6.检查电缆质量,经检验团队再次绝缘测试,发现电缆A、B相绝缘降低重新查勘电缆敷设情况,发现电缆在敷设过程中有机械损伤,且有中间接头,在配电室空调未正常运行的情况下,连日阴雨,空气湿度大,加速了绝缘损坏,有相间短路风险。随即通知施工单位,更换损伤电缆。
六、结论及建议
该事故是由施工单位施工工艺不合格,造成电缆损伤,持续阴雨天气,导致电缆接头绝缘性能降低。设计单位定值计算偏低,造成灵敏度偏高,两方面导致断路器跳闸。在调整保护定值及更换受损电缆后,设备试验正常。
在数据中心建设过程中,要重点关注设备选型、设备质量及施工管理等环节。在项目调试过程中,出现的问题,要从多个方面及时分析解决,杜绝任何影响可靠性及安全性的因素存在。
