ERP曾经被认为只是MRPⅡ的另一个名字,只适用于制造业企业;ERP也一度被认为是信息化的另一个称呼,任何组织的任何应用都应该包罗其中。
ERP曾经被认为是只有大型企业、管理极其规范的企业才能应用的庞然大物;ERP也曾被一些人看成只花几千元就可以买一套玩玩的小东西。
ERP曾经被认为是可以拯救中国企业于水火的“神奇教练”;ERP也曾经被看成是不适应中国企业水土的“害人精”。

想知道企业到底要不要上ERP,还是要从ERP的前世今生讲起。
这是一篇花了五天时间扣碎了写出来的文章,全文2583字,建议耐心阅读~
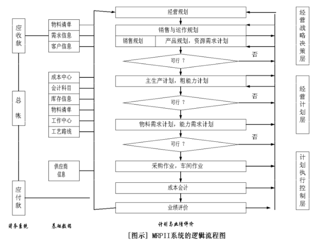
ERP的发展史:MRP→MRP II→ERP
说到ERP,你就会想到制造业,那是因为溯源ERP,它的确发家于制造业。
制造业人士都知道——物料,是构建起制造企业的基础。
如何确定产品所需的原材料数量?如何根据销售情况,制订原材料的订购计划?
为了解决这些问题,物料需求计划——MRP系统先诞生了。
MRP包括“生产计划”,“物料清单”和“库存信息”三大块,根据不同的时间段制订订货计划。
依据生产计划,回答"生产什么?"利用物料清单,回答“需要什么?”再依据库存信息,回答“现有什么原料”最终通过MRP计算出“还缺少多少原料,需要何时供应到位,以保证生产的顺利进行”。

在MRP中,虽然有了自上而下的目标和计划信息,但缺少自下而上的反馈信息。
因此人们在MRP的基础上又增加了:能力需求计划、车间作业管理和采购管理等功能。

从而形成一个闭环的、有反馈的计划与控制系统,这就是闭环MRP。
但闭环MRP也不能说清楚“企业完成生产后到底是赚钱了还是赔钱了?到底达没达到企业的经营目标?”
因此人们在闭环MRP上进一步增加了经营计划、销售与运作计划。发展出了制造资源计划,也就是MRP II。
它将管理重心放宽,转移到所有制造相关的资源上:

随着第三次工业革命的到来,经济的井喷发展,新的问题又产生了:
企业财富从哪里来?产品如何赢得竞争?如何在市场上保持一贯优势?
从消费者来说,比的是企业的产品和技术,然而更深层次的,是企业管理理念及工具的较劲。
衡量企业运作效率,目前管理者最常用的四个判断工具:
基础信息,如资金信息:现金流量和财务比率等;生产信息,如成本信息:资源利用率和总体利润等;能力信息,如企业相对于竞争者的专长和弱点;资源分配信息,包括资源和人力等。
但在引入ERP之前,企业内这些信息的交流大多通过纸张进行传递。
尽管有的企业已经存在这样那样的网络系统,但由于企业内部各自为政、互相割裂,大家还是习惯于通过纸质文件来传达信息,缓慢而低效。

正值互联网的大规模兴起,于是ERP(企业资源计划)出现了:
ERP结合了计算机技术,核心仍是MRP II,但在管理上,进行了更进一步的强化和细分——仓库管理、财务管理、销售与分销管理、人力资源管理、固定资产管理、流程管理、决策支持管理、政策法法规文件管理等。

解答一下ERP的几个常见问题:
1、ERP只适用制造业吗?
并不是,ERP发展至今,已经是IT技术和管理思想的融合体,旨在解决一个核心问题:“企业怎样有效利用和管理整体资源?”
因此只要涉及到信息收集、分析、处理的行业,都可以使用。更适用于在几个方面需求较大的行业:
(1)企业需要降低库存,提高资金利用率和控制经营风险;
(2)控制产品生产成本,缩短产品生产周期;
(3)提高产品质量和合格率;
(4)减少财务坏帐、呆帐金额等。
2、ERP的风险在哪?
近几年,很多企业加大了对企业信息化建设的投入力度,纷纷引入企业ERP管理系统,希望借此提升管理水平和能力,然而实际效果却不容乐观。
(1)系统调整的问题。目前ERP系统无法满足企业个性化管理的需求。随着管理理论和IT技术的不断创新、市场需求的不断变化,企业流程也必然随之而改变,而目前ERP还不能动态地满足企业流程变化的需要,必须经过艰难的二次开发和实施才能实现。
(2)新流程的执行问题。实施阶段设想的流程是非常美好的,但上线后,在实际使用过程中完美的流程是否能够得到很好的执行?
(3)队伍的问题。随着系统的上线,顾问的撤出,这时候企业需要自己的团队面对所有可能出现的问题。这个时候,企业自己的团队是否已经准备好了是系统能否正常运行的关键。
(4)资金的问题。很多企业的高层觉得,ERP上线了,项目完成了,该花的钱已经花了,后面不会再发生费用了。人员的培训、系统的维护与优化、硬件的维护等等,这些加起来是一笔不小的费用。
3、ERP和信息化的关系
虽然ERP是一个系统工具,但其内核是一种管理思维。
推动企业打通业务流程,以软件为载体,将业务流转搬至线上,从而开始走上资源高效利用、业务有序运作之路。
这个过程,就被称为“信息化”。
ERP通过集成的系统、优化的流程、协同的工作流将企业的运行变成一个有机的整体,将信息化渗透到企业生产经营的各个方面。
因此ERP和OA等系统,常常成为一家企业信息化试探的第一步。
4、ERP是否应该顺应形势上云?
随着各行各业都在谈借“云”转型,ERP也不例外。
IDC《2018年下半年中国企业团队协同软件市场跟踪报告》显示,未来5年整体市场年复合增长率为23.1%,SaaS模式的企业团队协同软件的增速要远远高于传统部署模式,企业团队协同SaaS软件的未来5年复合增长率为35.3%。
到2023年,SaaS模式的企业团队协同软件市场份额将从2018年的19.8%上升为31.8%。
Gartner曾预计2018年会有30%的ERP系统迁移到云端,并公开表示:传统ERP时代已经结束,后ERP时代即将来临。
上云是企业管理形式的再一次变革,但是不能将ERP上云妖魔化。本地部署的ERP和云上ERP各有其优劣势,不同的企业有不同的定位,需要衡量自身需求选择最适合/性价比最高的。
比如,云上的ERP灵活、多变、轻巧,适合场景多变的现代办公需求,以极高的性价比迎合了大多数企业信息化需求(如下图),而本地部署以其私密性、稳定性也受一大批重型企业喜爱。

总之,ERP发展至今,其概念已经变得非常复杂,一句话简单而完美的概括鲜有人能做到,但是了解它的历史才会帮我们揭开它神秘的面纱,更好地知道企业该不该上ERP!
